0532 061 37 83
DOLAR
44,200 - 44,121 TL
EURO
50,844 - 50,752 TL
TR
EN
ÜYE GİRİŞİ
Home
Corporate
Products
Services
Projects
Terminology
Quality management
Contact us
Contact
Human resources
Home
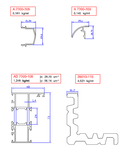
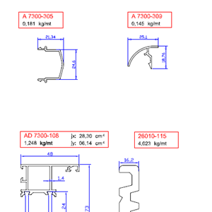
Sliding Series Insulated And Uninsulated
COMMITMENT AND PROJECTS
STEEL DOOR PROFILES AND ACCESSORIES
GLASS BALCONY
ALUMINUM PROFILES
Steel Door Profileṡ
Angle Profiles
Box Profiles
Pipe Profiles
Full Steel Profile
Hexagonal Profiles
Square Profiles
Lama Professionals
T Professionals
U Profiles
Aldoks Profi̇ller
Barrier Profilesiyer
C60 Professionals
Glass Balcony Profiles Cam
Facade Systemṡ
Natural Gas Flue Profiles Gaz
Electrical Electronical Profiles
Photocell Automatic Door Profilesos
Conduction Profiles
Handrails
Mobi̇lya Profileṡ
Special Purpose Professionals
Roller Shutter Profiles
Plasma Foot Profiles Ayak
Radial Lama Profi Llller
Radiator Profiles
Chair and Dance Professionals Ve
Profile Profiles
Sliding Series Insulated And Uninsulated
Insulated / Non-Insulated Profilesıtım
SLİDİNG SERİES INSULATED AND UNİNSULATED
Test
Form Gönderimi
Tamam
Modal